专题二十四:什么是简单压力容器?用不用办证?用不用定期检测?
专题二十四:什么是简单压力容器?用不用办证?用不用定期检测?
一、什么是简单压力容器?---学简单压力容器
TSG R0003-2007《简单压力容器安全技术监察规程》
简单压力容器属于压力容器;区别是特指结构简单、危险性较小的压力容器那什么是简单压力容器?必须同时满足一下条件(1)容器由筒体和平封头、凸形封头,或者由两个凸形封头组成;(2)筒体、封头、接管主要受压部件材质为碳钢、奥氏体不锈钢;(3)设计压力≤1.6MPa;16公斤以下(4)2.5MPa·L≤工作压力*容积≤1000MPa·L;1L=0.001m³(5)介质为空气、氮气、水蒸气(医用蒸馏水蒸发而成的水蒸气);(6)设计温度≥-20℃;最高工作温度≤150℃;(7)非直接火焰的焊接容器;---不能与火直接接触,如锅炉、气化炉,×哪些不属于“简单压力容器”:灭火器、快开门式压力容器、移动式压力容器
二、简答压力容器用不用办证?用不用定期检验---如何使用管理
TSG R0003-2007《简单压力容器安全技术监察规程》
简单压力容器不需要办理“使用登记证”,安装前不需要告知当地质检站,在使用寿命范围内不需要按《压力容器定期检验规则》进行定期检验;虽然不需要以上手续,但在使用过程中,要建立设备安全管理档案,对简单压力容器定期保养、检查和记录档案;一旦达到使命寿命,则应当报废;如果不报废,则使用单位应报特种设备检验检测机构按《压力容器定期检验规则》进行定期检验;
三、简单压力容器的铭牌是什么样子?---铭牌样式
TSG R0003-2007《简单压力容器安全技术监察规程》

四、简单压力容器专门的标准
NB/T 47052-2016《简单压力容器》
对定义重新解释:---注意加了对容积的要求,一个立方以下(1)设计压力≤1.6MPa;16公斤以下(2)设计温度≥-20℃;最高工作温度≤150℃;(3)容积≤1m³;1m³=1000L(4)工作压力*容积≤1MPa·m³;(5)介质也增加了几个:为空气、氮气、二氧化碳、惰性气体、水蒸汽(医用蒸馏水蒸发而成的水蒸汽)或上述气(汽)体的混合气体;允许介质中含有不足以改变介质特性的油等其他成分,但其闪点或燃点均应高于容器的最高工作温度30℃以上,且不影响与材料的相容性。不属于的范围增加了:真空容器、危险化学品包装物简单压力容器的产品铭牌:---要有“简单压力容器”的字样

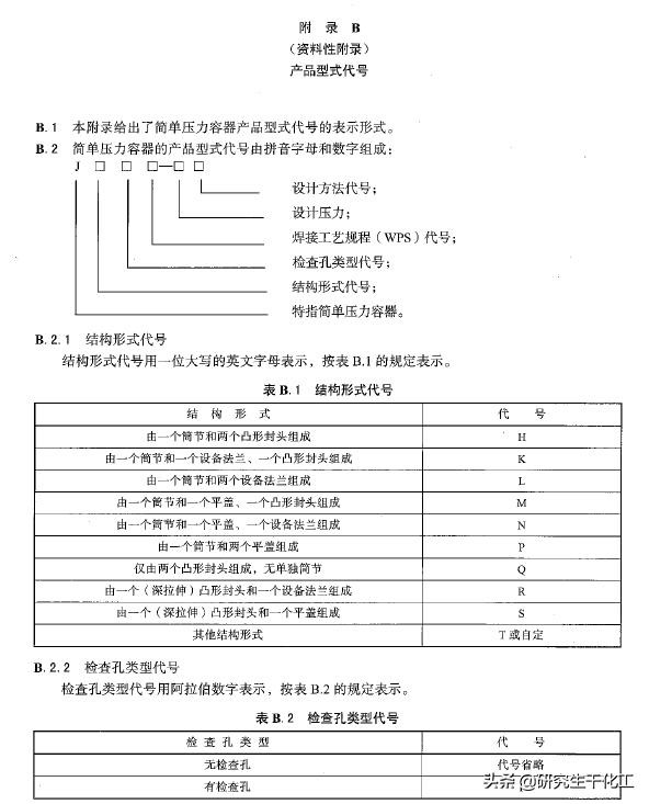
简单压力容器的“产品型式代号”:


五、最典型的简单压力容器是什么---储气罐
压缩空气作为应用最为广泛的第四大能源,仅次于电能等传统能源,储气罐作为空压机配套的必须品,被广泛应用于我国国民生产生活的各个领域。根据储气罐的安全系数,储气罐分为简单压力容器和固定式压力容器。

目前按照国家规定1立方10公斤以下的储气罐都属于简单压力容器,不需要报检,1立方10公斤以上的储气罐需要到有关部门报检后才可以安装使用。
六、关于简单压力容器的几个疑问?
1) 《简规》适用范围中是否有最低压力限制?简单压力容器在出厂产品质量证明书或产品铭牌上是否有“简单压力容器”字样?铭牌上是否要打监检钢印?答:《简规》适用范围压力的最低限制为0.1MPa。简单压力容器的出厂产品质量证明书上应说明该设备属于简单压力容器。铭牌上暂时规定不需要打监检钢印。2) 为什么将医用蒸馏水蒸发而成的水蒸气作为允许的介质?其他水蒸气可否作为允许的介质?氮气冷却器和氮气过滤器是不是都属于简单压力容器?答:因为医用蒸馏水蒸发而成的水蒸气中氯离子的浓度低,与奥氏体不锈钢有良好的相容性,不会发生应力腐蚀,所以将医用蒸馏水蒸发而成的水蒸气作为允许的介质。其他水蒸气不能作为允许的介质。氮气冷却器和氮气过滤器如果符合第3条的规定,就属于简单压力容器。3) 关于第6条的监管,没有提到安装、维修、改造,那安装、维修、改造是否也要进行监管?如何监管?28条只对外观检查和耐压试验有记录要求,对焊接记录和其他过程的记录有强制的要求吗?答:简单压力容器出厂后不需要安装、维修、改造。除《简规》提到的以外,其他无强制要求,可参照企业标准来做。4) 简单压力容器的制造申请单位的评审许可程序是什么?按第7条规定,是否现在有制造资质的制造单位制造首台产品先进行型式试验?现在可以做简单压力容器的型式试验的单位有哪些?答: 具备生产资格的简单压力容器的制造单位(如21条中说明),向取得型式试验资格的特种设备检验检测机构提出型式试验申请(详见39条)。现在有制造资质的制造单位制造首批产品时,应在制造现场抽取样机一台进行型式试验。现在可以做简单压力容器的型式试验的单位:省特检中心。5) 进口简单压力容器或境外企业按本规程制造的压力容器到岸后是否还应该按本规程进行安全性能的监督检验?答:该设备的监督管理应满足《锅炉压力容器制造监督管理办法》的有关规定,需要按本规程进行安全性能的监督检验。6) 本规程与《容规》、《条例》规定相冲突时,如何处理?如:43条规定的不办理登记手续,与《条例》有矛盾。又如:47条规定简单压力容器可以按《容规》设计,按《简规》管理,但如果按《容规》设计,就要划入一类容器,按一类容器进行管理,有矛盾。答:本规程只管辖简单压力容器,同时简单压力容器设备都由本规程管辖。本规程与《容规》属于同一级别。在与其他规程冲突时,如果是简单压力容器就按本规程处理。简单压力容器是特例,可以不办理登记手续。而简单压力容器是不分类的。7) 为何第3条(3)中用设计压力?而(5)中用工作压力?答:设计压力决定了容器的壁厚,第3条(3)中用设计压力主要是限制容器的壁厚。工作压力与设备的危险性有关,所以(5)中用工作压力与容积的乘积,来限制设备的危险性。8) 简单压力容器是否要设置安全泄放装置?是否需设置必要的检查口?封头与筒节能否用设备法兰连接?能否能有内件?答:简单压力容器可以设置安全泄放装置,可以设置检查口,封头与筒节可以用设备法兰连接,可以有内件。
七、简单压力容器举例:


-
- 注销腾讯微博
-
2025-12-22 08:22:06
-
- 注销腾讯微博
-
2025-12-22 08:20:01
-
- 浙江新增本土确诊44例
-
2025-12-22 08:17:57
-
- 这一路虽然站着有些辛苦,但感觉值了
-
2025-12-22 08:15:52
-
- 张家界自助三日游攻略,张家界不跟团自由行攻略
-
2025-12-22 08:13:48
-
- 玉树藏族自治州被誉为雪豹之乡
-
2025-12-22 08:11:44
-
- 有你世界才圆满 情人节浪漫一句话
-
2025-12-22 08:09:39
-
- 有没有男性口服避孕药
-
2025-12-22 08:07:35
-
- 有跟自己亲戚弄过的吗
-
2025-12-22 08:05:31
-
- 有点叛逆的射手座
-
2025-12-22 08:03:26
-
- 生育险可以报销多少(可能你只报销几千人家报销上万)
-
2025-12-21 09:55:45
-
- 射手座:寻求真理的启示者
-
2025-12-21 09:53:41
-
- 荣格八维si表现
-
2025-12-21 09:51:36
-
- 日批是什么感觉 男性开枪的时候是什么感觉
-
2025-12-21 09:49:32
-
- 情侣公园野战的好处有哪些
-
2025-12-21 09:47:27
-
- 陪嫁6床被子就得6床四件套吗
-
2025-12-21 09:45:23
-
- 虐杀动物属于什么心理疾病
-
2025-12-21 09:43:19
-
- 年底KPI未完成压力山大?忙碌之余勿忘身心健康
-
2025-12-21 09:41:14
-
- 你与狮子座性格匹配度有多高?
-
2025-12-21 09:39:10
-
- 微博里厦门174是什么意思 厦门174是什么梗怎么来的
-
2025-12-21 04:59:19



美国有几艘航母(美国11艘航母名字及服役时间表)
余声个人资料简介(安徽卫视主持人余声简历图片)